239,90 €*
Sofort verfügbar, Lieferzeit: 1-3 Tage
(verlängert bis 07.12.2025)
Produktinformationen "SIMU Fluchtwegmodul inkl. Akku"
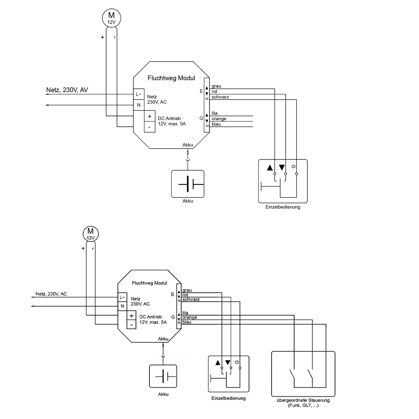
Steuermodul zur Realisierung des 2. Rettungswegs.
Zur Ansteuerung eines geeigneten Gleichstromantriebs 12VDC max. 5A inkl. Akkupufferung.
Schnittstellen zur Bedienung mit Rollladentaster, Rauchmelder, Zentralbefehl. Akku-Unterspannungsalarm und Akku-Wechsel-Alarm nach 2 Jahren bzw. 1000 Fahrten.
| Motortyp: | Gleichstrom |
|---|---|
| Steuerungsart: | Kabelgebunden |
Steuermodul zur Realisierung des 2. Rettungswegs.
Zur Ansteuerung eines geeigneten Gleichstromantriebs 12VDC max. 5A inkl. Akkupufferung.
Schnittstellen zur Bedienung mit Rollladentaster, Rauchmelder, Zentralbefehl. Akku-Unterspannungsalarm und Akku-Wechsel-Alarm nach 2 Jahren bzw. 1000 Fahrten.
Anmelden

